i am interested to get one after testing is finished. I want to use it as a switch with an reed contact to power on my board after the battery is connected and the hatch is closed.
Yes, we are going to do the same.
We’ll put the DIY antipark in the battery case and activate it when the lid is closed.
Not sure what current will go through the “reed” switch when activating.
If it’s too much, the reed will stick (the metal can fuse together due to the contact arc).
The current through the switch is 5mA and limited to a soft startup current as well. But it is the full battery voltage, however that should be ok for most reed switches I think…
That is so great that you did project!
I have built simply - mosfet + resistors divider, capacitor and a diode between 6s and 6s as a ramp up…
What was your main consideration to do precharge instead of ramp up?
What mosfet did you use? ( I am having hard time to find the one in the schematic)
What do you mean by ramp-up? slowly closing the FET you mean?
SP010N01
Yes, this is exactly what I meant. Why not simply charge the capacitors by slowly closing the FET…
The energy / power dissipated in that charge time is immense! Most FETs cant handle that repeatedly…
Thank you for reminding me this consideration.
And I did now approximate calculations with ChatGPT. Had to press him to be more precise and now I think the approximations look good. Maybe you are willing to check.
Essentially for RC of 1s at the gate of Mosfet, the dissipation is well within Safe Operating Area.
Requirements:
- 84V
- 6mF capacitor to take from 0 to max. voltage
- Charge with less than 50A initially so the connector and capacitors don’t get damaged
That is 20J of energy
Apart from having a complex circuit to control a high side mosfets gate to constant/limited current, that amount of energy and instantaneous power is a problem for most FETs
See example here, max 2.6J on the AGHTO Fet (very good FET)
Thanks.
Now I understand your requirements. 6mf is a lot. I was calculating for 1mf and 50v.
I wasn’t not aware of this number - single pulse avalanche energy. But for 1mf and the specific rump up time energy is about 1J.
Would know what the input capacitance is on the flipsky 75200?
3mF per 75/200, hence my requirement of 6mF for 2x 75/200 in a boogie for example
Generally, when I design something, I design it so it will cover most foreseeable use cases (and foreseeable misuses)
how did the testing of this turn out? I would like to integrate it into my next build if it is reliable.
Ran it at a few hundred amps already, got good results
Found bugs and improvements, spun a new revision
Testing will continue in January, I hope to be able to release until end of that month.

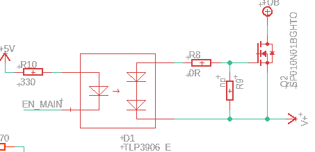
Firt of all, tanks! My doubt is, how does this optocoupler can turn the mosfet ON once the Vgs will no turn bigger than V+??
My dad is the technical person, and I asked him how this setup could work.
He told me that a P-channel MOSFET does not need its gate to go above the source to turn on.
It turns ON when the gate is lower than the source by more than its threshold voltage.
Not sure if this is true, but sounds logical to me.
This is not a normal optocoupler, but a photovoltaic optocoupler. It generates a voltage on the output.
While it worked quite nicely, I now replaced it by a charge pump for a few reasons, mainly:
- Only 8V per pv-opto
- Low charge speed for high capacitive loads
- High cost (80ct per pv-opto)
Anyways here an example datasheet
Here is the latest schematic (wip)
Yes, your father is totaly right, buy the thing is that mosfet is not a P channel. Tk
Woow, very interesting. I had never heard about photovoltaic optocoupler. One more question; why not just use a P-MOSFET? I know that the logical is inverted but if add 1 more stage of comparator I think it could work, right?
P channel mosfets have higher on resistance and therefore not suitable for high currents like in this example.


