Hey!
So I’ve purchased the Flipsky 6384 (“long thread shaft” and Custom KV (80KV version) about 2 weeks ago and it already arrived.
If anyone is considering it, I’ve made some dimensional, electrical measurements and taken some pics of how waterproofing is done in 2026.
I’m not affiliated by Flipsky in any way and I’ve paid full price for the motor (and everything else).
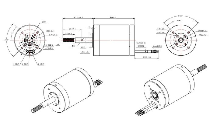
Original motor drawing is consistent with the motor dimensions in real life.
I’ve disassembled the motor and took all exact measurements, including bearings and internals and made detailed 3D model for anyone needing it for making mounts or whatever DIY. Bearings are 2x 6800 and 1x 61900 it seems, ceramic.
3D Model downloadable in STEP (editable) format:
[3D Model Shared via folder (so I can add files later or correct if any mistake]([Microsoft OneDrive](https://OneDrive Shared Folder - open in incognito))
Regarding the custom KV, they seem to do a good job at it. I’ve measured the back-EMF method, holding the motor rotor in lathe while measuring all 3 pairs of wire with AC~ setting on multimeter, at 700 and 1000RPM.
Here are the measurements and readings. It seems to be 77.6KV, which is very acceptable when ordering 80KV. I was expecting 70-80KV range.
Measurement setup:
Waterproofing:
- Motor cables seems to be fully covered in black silicone entering the aluminium stator part. Cables are 12AWG, silicone (other specs are on motor specs).
- Stator is fully potted in black epoxy-like potting. Excess seems to be trimmed on the lathe or sanded down. Same potting seems also to be in inside cavity between the bearings. I can see some radial white surface scratches, but not penetrating to anything.
- Rotor is fully potted too, magnets fully embedded in same black epoxy potting. when assembled there is ~0.3mm gap all around. It seems that negative mould was inserted in rotor, molded around the magnets.
How waterproofing will perform with time, I’ll report later in reserved 2nd post of this thread along with real world measurements, when build will be complete.
Motor pictures:
Motor specs:
Best regards,
Jure Korber | JKTech















