I know the google drive folder but I don’t have the access.
I need the files for a gong v2 Mast.
Hello jeff,
can you give me access to your google drive folder for download the stl-files for the gong efoil. I’ve send you an inquiry. Thanks.
Marcel B.
I have some issue with my google drive, I need to upload again the STL
New link, tell me if it’s ok or not
https://drive.google.com/drive/folders/1x6LvDm-dcYbK5Yf_uQEygAtHuc8M-T1o?usp=sharing
Thank You. It works. 
Can you share it again? )
Thank you @jeffM for sharing stls. I am missing one stl in the drive:

I am searching for a duck for 65161 with flite propeller “Mighty Bombul-Vihelmo stl” looks very similar what I am searching ![]()
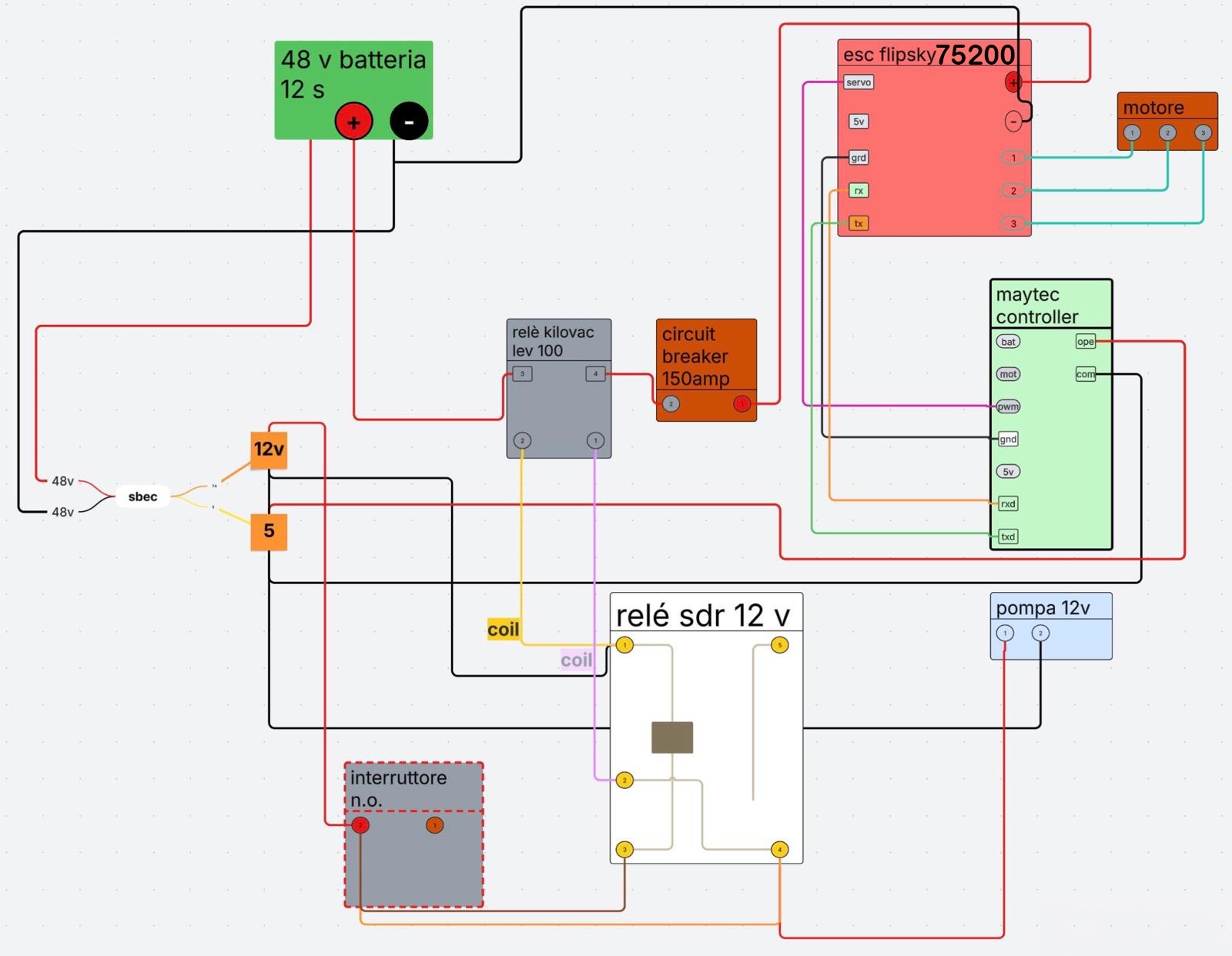
Hi community, compliments to everyone on their work! I’m currently working on my project, and thanks to JeffM, I followed his build to move forward. I’ve made some updates that I’d like to share here for feedback and to see if there are any major mistakes. Go heavy on the feedback. Thanks!
Looks a bit complicated, almost no one uses a waterpump anymore. Passive waterflow from the motor cone is sufficient. I also had a circuit with a forklift relay and a releay that switched it on/off 5y ago. Mine was even more complicated with a wireless remote key. It worked but the more complicted your circuit, the more prone to failure.
If you use the kilovac relay to switch on your system, you have to preload the capacitors of your (v)esc. Otherwise your relay will not live long. The charging current of the capacitors will weld the relay contacts and it is going to stay always on.
I did a preload circuit with a second small 5V coil relay that was in parallel to the forklift relay and connected the vesc to battery plus through a 5W 510 0ohm resistor for 5 seconds to precharge the caps. After that time, I switched on the main relay and switched off the precharge relay. This was done with a separate arduino nano and arduino relays with drivers.
When the small relay failed the 2nd time, I removed all those relays and replaced them with XT90S antispark connectors. Les complicated and less weight.
You also have a 150A circuit braker on your schematic. Most of the cheap chinese ones used to trip at around 60A, no matter what value they had printed on them. Better use a 200A fuse, I use a midi Otto which is the smallest one rated for 58V I coud find. If you disconned the battery when running the motor, your esc can get destroyed from the energy in the
motor windings.
How have you found the anti spark connectors ? and what is your typical current draw through them ? I was going to put a precharge board in my project but space is tight and the off the shelf units seem crap i took delivery of a Maytech last week that was dead on arrival with one of the supply leads missing.
Michael
It’s definitely a bit complicated, but I really liked the focus on safety, and Jeff’s project seemed really solid from that perspective. If you have any tips on where to learn more about the cooling system, or if you know of a simpler electronics project to start with, I’d be very happy to look into it.
I use two kinds, XT90S on a 12S efoil, max current 110A, works fine. 2nd setup is 14S with QS8, max current 145A. The problem with xt90s is not current, but voltage because of the built in resistor, ok with 12S. Tried some for my onewheel with 18S and they burned. Should be ok up to 14S.
For cooling the esc you can actually skip water cooling entirely if you have an the esc in contact with metal and the outside environment. The 75200 you noted in your schematic is a good candidate for this approach since it has all the MOSFETs on an a separate aluminum plate that can easily be pressed against another flat metal surface (with thermal paste) for good heat conduction. I think all the commercial efoils now use this approach and mount the esc on the top of the mast.
A good example of what this looks like was posted by @Kian a few years ago now: Frankenstein build
I have a very similar setup and my 75200 esc is generally only a few degrees above ambient temperature.
Cheers I am 11/12s 60a max so it sounds like all will be well
I have run 14S on XT90S and they have been fine. It comes down to what turns on and how large the inrush current is. Minimal electronics and you should be fine.
Inrush is defined by voltage, AS resistor value and the input capacity of the ESC, mine had 2000uF @ 18S(75V) and that was too much for the resistors of my xt90S, they evaporated.
I use Amass 150AS connectors for antispark battery - VESC connections. Yes each wire has its own connector but I find them very reliable and relatively easy to disconnect vs the multi wire type that I sometimes struggle to disconnect. I also use them from VESC to motor phase wires just because I had them and had room.
The male connectors with the black ring are antispark.
Hello, you’ve opened up a whole new world for me: now I understand that with current VESCs, like my 75200, you can manage many things more efficiently, and maybe it’s time for me to simplify my setup a bit. Can I ask how you organized the power on and off? Did you set up an emergency shutdown system? The more I study the Frankenstein project, the more questions I have.
On my boards there is no ON/OFF switch. I just use a QS8 connector (with antispark) and connect the esc to the battery to turn on the VESC. I keep the remote off until I am in the water and only turn it on when I am on the board and ready to go. There is no emergency shutdown when I fall. I just release the remote trigger and then water will also block the remote signal.
Flipsky does make a version of 75200 that includes a power switch. I don’t know how well this works and if it’s any different from the separate anti-spark switches that typically fail.
Another possibility is be the open source DIY antispark designed by ludwig_bre. This is a fairly recent project and may still be in a testing phase

